
日常繁忙的工程之余,也要時刻注意愛機的運轉狀況,悉心檢查,按時保養。
檢查液壓油箱油位
1.把挖掘機停在堅實的水平地面上。降低動臂、伸出小臂并將鏟斗降至地面上。
2.安全桿置于“鎖定”位置,發動機油門調整到最小位置,使發動機處于最低轉速。
3.打開右側門檢查油位,油位應在上下兩標志線之間位置。
4.若油位低于“L”標志線,加注。
- 關閉發動機,清理液壓油箱蓋周邊塵土。
- 液壓油箱內的壓力很高,緩慢擰松液壓油箱蓋泄壓。
- 取下液壓油箱上部蓋并加油。
5.如果油位高于“H”標志,則適當放油。
- 關閉發動機,等待液壓油完全冷卻。
- 在油箱底部的放油閥接一根軟管,將多余的油排到一個合適的容器中。
注意:
加油時油位不能高于“H”標志。加油過量會造成挖掘機損壞且油液會從液壓油箱中泄漏。
按照當地規定的法規處理排出的油。
警告:
挖掘機正常工作后,液壓油的溫度會很高。要等整個液壓系統完全冷卻后,再維修液壓部件。
液壓油箱內的壓力很高,緩慢擰松液壓油箱蓋泄壓,然后才能安全的拆下注油口蓋或上部蓋。
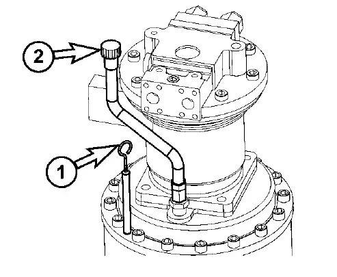
檢查回轉減速裝置油位
1、拔出油標尺(1),用布把上面的油擦拭干凈。
2、將油標尺(1)完全插入導管中。

3、拔出油標尺后,油位應該在油標尺的"HIGH"和"LOW"標志之間。

4、如果油位未達到油標尺的"L"標志, 通過加注口加油(2)
5、如果油位高于油標尺的"H"標志,打開排放閥的蓋(3),接上軟管(4),將多余的油排到一個合適的容器中。

注意:
每次使用油標尺檢查油位前,都應把油標尺拔出擦拭干凈。
警告:
設備工作后,齒輪油很熱。關閉所有的操作系統并完全冷卻。在拆卸馬達檢測螺塞等部件之前,先緩慢的擰松,釋放內部的高壓氣體。
